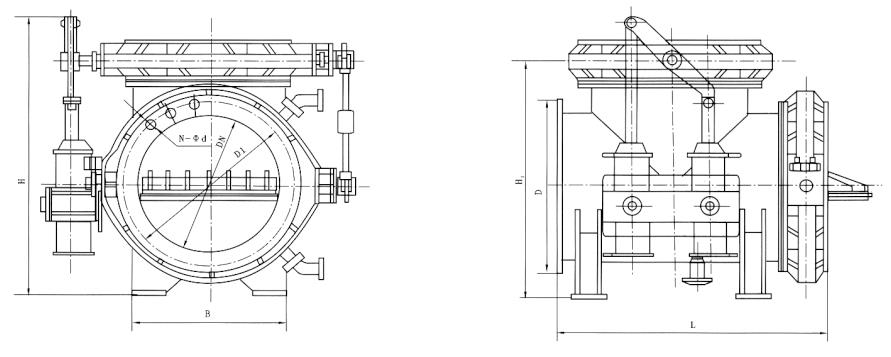
SQD643X氣動三通切換閥結構特點及用途
百鋼閥門集團生產銷售的SQD643X氣動三通切換閥是一種氣體切換的理想設備,是我司吸取國內外同類產品的技術研制而成的,本閥具有結構簡單,操作方便,密封可靠,切換準確,使用壽命長,廣泛應用在冶金、石化、環保等行業現場操作或遠距離控制。特別適用于鋼鐵廠轉爐煤氣回收裝置中控制煤氣的回 收與放散。本閥主要由三通體和兩只密封蝶閥及二只氣(油)缸、連桿、控制箱組成。
SQD643X氣動三通切換閥主要性能

| 公稱壓力 | 0.1MPa | 適用 溫度 | SQD6/7 43X | 蝶閥為橡膠軟密封 ≤80°C ≤120°C |
| 密封試驗壓力 | 0.11MPa | SQD6/7 43H | 蝶閥為金屬硬密封 ≤350°C ≤500°C | |
| 強度試驗壓力 | 0.15MPa | 氣源壓力 | (氣動三通切換閥) 0.4 ~0.6MPa | |
| 啟閉切換時間 | ≤15s | 供油壓力 | (液動三通切換閥) 6.3MPa | |
| 適用介質 | 含塵氣體、煙氣、煤氣、空氣等 | |||
溫馨提示:
本文中所有文字、數據、圖片均只適用于參考。需要查看更多的SQD643X氣動三通切換閥性能參數、結構尺寸參數、價格等詳情,或要求高質量印刷樣本,請聯系我們。